motorcycle fast charger diagram

Motorcycle Charging Circuit - Power_Supply_Circuit - Circuit Diagram. 17 Pics about Motorcycle Charging Circuit - Power_Supply_Circuit - Circuit Diagram : Motorcycle charger circuit diagram - Power_Supply_Circuit - Circuit, electronics ckt: Motorcycle Battery Charger and also Honda Minimoto Electric Pocket Bike - Electric Bike.

Motorcycle Charging Circuit - Power_Supply_Circuit - Circuit Diagram

Motorcycle Charging Circuit - Power_Supply_Circuit - Circuit Diagram www.seekic.com

seekic pulse 4v 9v

How To Test Your Motorcycle Charging System On Countersteer

How to Test Your Motorcycle Charging System on Countersteer www.jpcycles.com

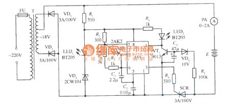
Electronics Ckt: Motorcycle Battery Charger

electronics ckt: Motorcycle Battery Charger apuckt.blogspot.com

charger battery circuit motorcycle diagram schematic circuits electronics 12v power supply current diy ckt voltage 3a 220v

Schumacher® SpeedCharge™ Battery Charger, 15 To 40 - Amp - 144746

Schumacher® SpeedCharge™ Battery Charger, 15 to 40 - amp - 144746 www.sportsmansguide.com

speedcharge sportsmansguide chargers

Dual USB 5V 1A 2A Mobile Power Bank 18650 Battery Charger PCB For Phone

Dual USB 5V 1A 2A Mobile Power Bank 18650 Battery Charger PCB For Phone www.ebay.com

usb diy charger 5v battery dual pcb bank power 1a phone 2a mobile

Motorcycle Battery Charger - Power Supply Circuits

motorcycle battery charger - Power Supply Circuits powersupply33.com

12/24 Volt Battery Charger | Schumacher 10 Amp Battery Charger

12/24 Volt Battery Charger | Schumacher 10 Amp Battery Charger www.batterymart.com

charger schumacher volt battery amp se non 70ma cec acc batterymart

Motorcycle Charging System Diagnosis Checks | AberdeenBikers

Motorcycle Charging System Diagnosis Checks | AberdeenBikers www.aberdeenbikers.co.uk

checks diagnosis charging motorcycle system test

Honda Minimoto Electric Pocket Bike - Electric Bike

Honda Minimoto Electric Pocket Bike - Electric Bike electrisbike.blogspot.com

minimoto 36v

Adjustable Car Battery Charger Circuit - Power_Supply_Circuit - Circuit

Adjustable car battery charger circuit - Power_Supply_Circuit - Circuit www.seekic.com

circuit charger battery diagram adjustable supply power seekic automobile 50v voltage charging shown 6v источник

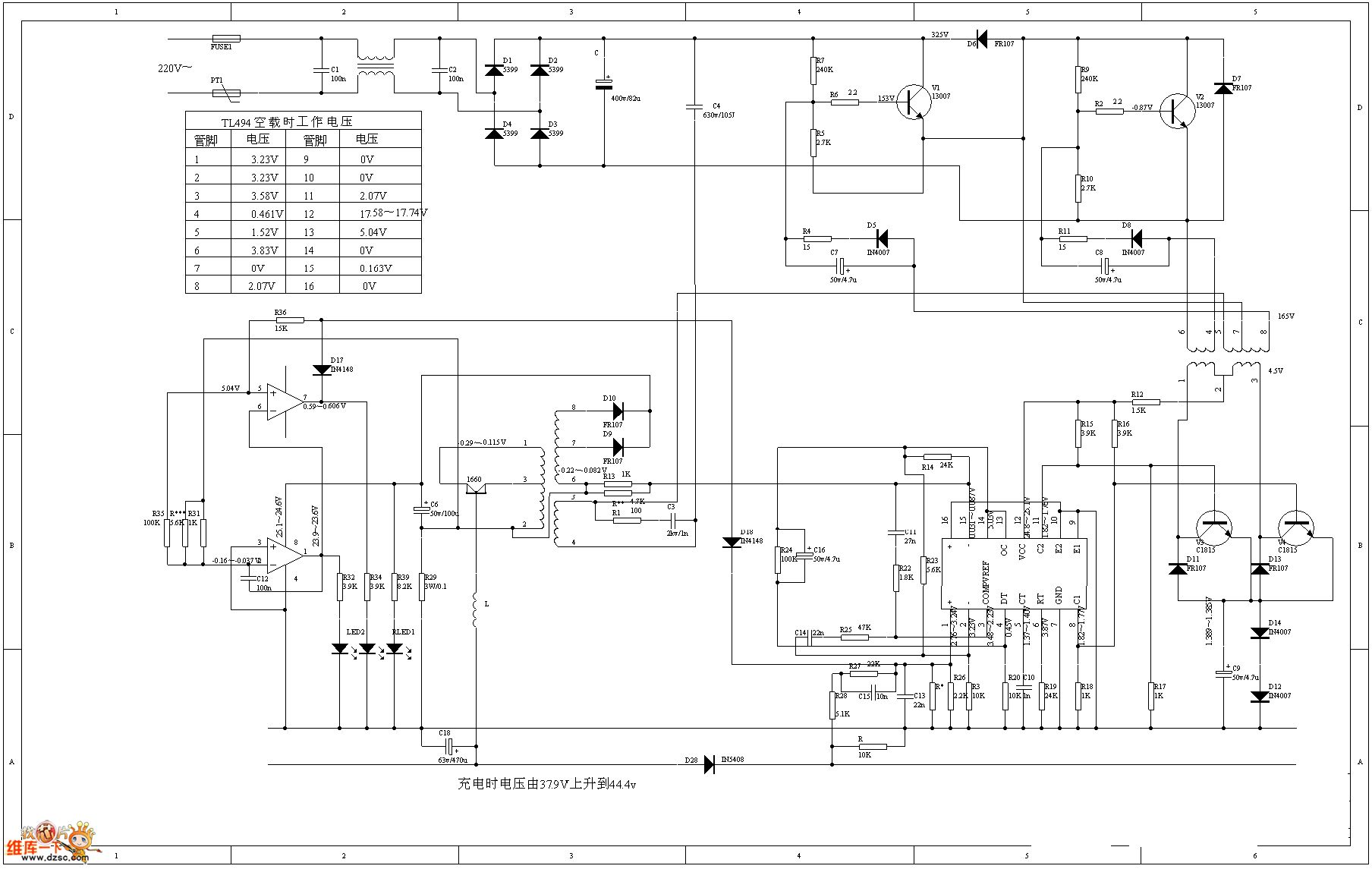
Index 181 - Power Supply Circuit - Circuit Diagram - SeekIC.com

Index 181 - power supply circuit - Circuit Diagram - SeekIC.com www.seekic.com

circuit seekic pulse intelligent charger battery automatic bicycle electric supply power diagram 4v voltage 9v charged rise being

12v Automatic Charger (Auto Cut OFF) : 3 Steps (with Pictures

12v Automatic Charger (Auto Cut OFF) : 3 Steps (with Pictures www.instructables.com

disconnect instructables

Lifepo4 Bms Circuit Diagram - Wiring Diagram

Lifepo4 Bms Circuit Diagram - Wiring Diagram wiringdiagram.2bitboer.com

lifepo4 bms

GeekBobber: Lucas E3L Dynamo / Generator

GeekBobber: Lucas E3L Dynamo / Generator www.geekbobber.com

lucas dynamo e3l generator parts list geekbobber manual

SOFT Use: How To Repair Ez Go Battery Charger

SOFT Use: How to repair ez go battery charger agustinefalar.blogspot.com

battery diagram charger wiring generator cycle circuit motor phase moreover delta star ez repair soft jockey journal pan key anyway

Power Wheels Harley Davidson Motorcycle | 73218-9993

Power Wheels Harley Davidson Motorcycle | 73218-9993 www.ereplacementparts.com

harley parts davidson motorcycle wheels power 2002 diagram ereplacementparts list fig

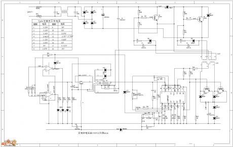
Motorcycle Charger Circuit Diagram - Power_Supply_Circuit - Circuit

Motorcycle charger circuit diagram - Power_Supply_Circuit - Circuit www.seekic.com

circuit charger motorcycle diagram seekic supply power

Soft use: how to repair ez go battery charger. Lifepo4 bms. Charger schumacher volt battery amp se non 70ma cec acc batterymart