motorcycle security system circuit diagram

Diagram Wiringm Alarm System New Of Motorcycle Amazon Com Basic Best. 17 Pics about Diagram Wiringm Alarm System New Of Motorcycle Amazon Com Basic Best : Wiring Diagram Of Motorcycle Alarm System - bookingritzcarlton.info, Alarm System For Motorcycle Diagram - The O Guide and also A Simple Transistor Based Motorcycle Alarm circuit diagram and instructions.

Diagram Wiringm Alarm System New Of Motorcycle Amazon Com Basic Best

Diagram Wiringm Alarm System New Of Motorcycle Amazon Com Basic Best www.pinterest.com

basic

Motorcycle Alarm Circuit | Diagram Schematic

Motorcycle Alarm Circuit | diagram schematic manualdiagram.blogspot.com

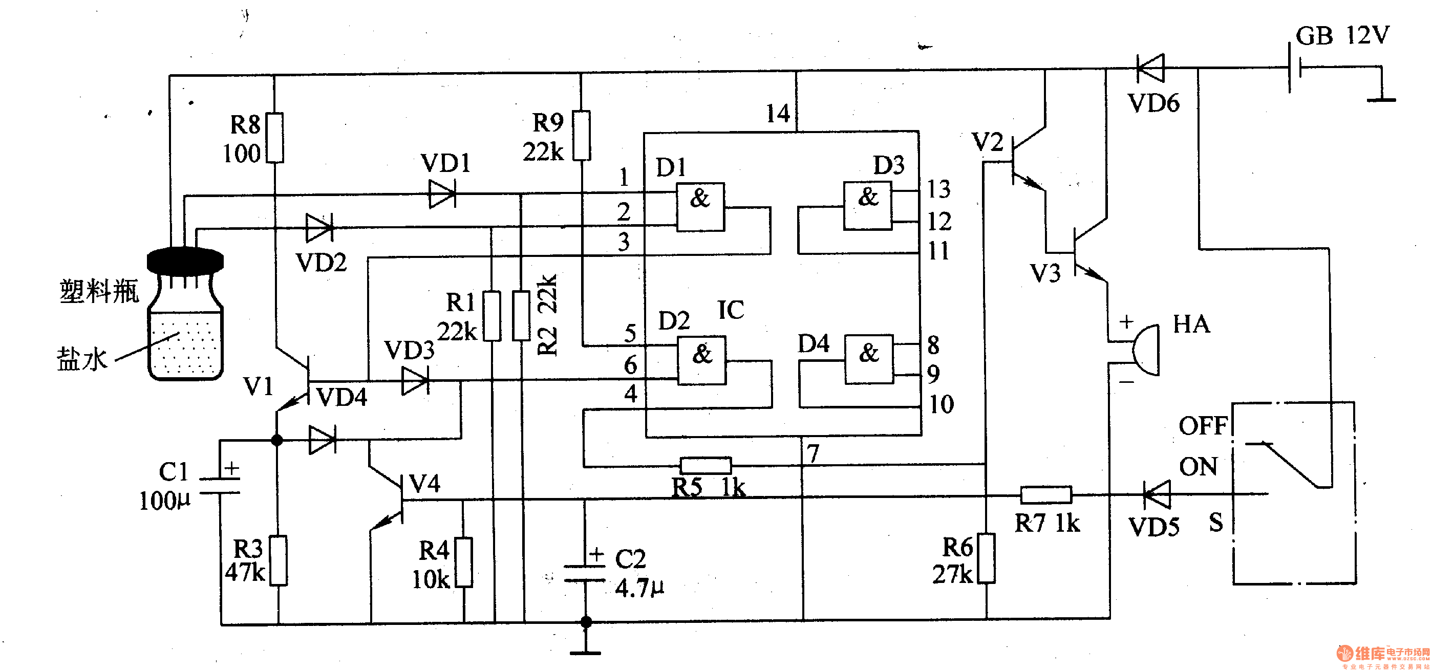
alarm wiring motor maling sederhana schematics

The Motorcycle Alarm Circuit - Control_Circuit - Circuit Diagram

The motorcycle alarm circuit - Control_Circuit - Circuit Diagram www.seekic.com

circuit alarm motorcycle seekic

Car Alarm Wiring Diagrams

Car Alarm Wiring Diagrams www.chanish.org

alarm wiring venom karr 4040a carts

FYP 'Development Of Bike Security System'

FYP 'Development Of Bike Security System' amirulzainal3266.blogspot.com

rusi headlight koga cdi elektrisch

The Motorcycle Anti-theft Alarm (6) - Control_Circuit - Circuit Diagram

The motorcycle anti-theft alarm (6) - Control_Circuit - Circuit Diagram www.seekic.com

theft alarm anti circuit motorcycle seekic control

Alarm System For Motorcycle Diagram - The O Guide

Alarm System For Motorcycle Diagram - The O Guide www.theoguide.com

cerberus circuit detection siemens supervised

Wiring Diagram Of Motorcycle Alarm System - Bookingritzcarlton.info

Wiring Diagram Of Motorcycle Alarm System - bookingritzcarlton.info www.pinterest.com

bookingritzcarlton

Block Diagram Of GSM PCB Module. | Download Scientific Diagram

Block diagram of GSM PCB Module. | Download Scientific Diagram www.researchgate.net

telit

A Simple Transistor Based Motorcycle Alarm Circuit Diagram And Instructions

A Simple Transistor Based Motorcycle Alarm circuit diagram and instructions www.hobby-circuits.com

alarm circuit diagram transistor simple motorcycle build easy schematic based circuits security system diy automotive switch control cheap combination relay

Wiring Diagram Of Motorcycle Alarm System - Bookingritzcarlton.info

Wiring Diagram Of Motorcycle Alarm System - bookingritzcarlton.info www.pinterest.com

The Motorcycle Anti-theft Alarm (5) - Control_Circuit - Circuit Diagram

The motorcycle anti-theft alarm (5) - Control_Circuit - Circuit Diagram www.seekic.com

motorcycle circuit alarm theft anti seekic diagram low

Electrical Circuit: Motorcycle Alarm

electrical circuit: motorcycle alarm electricalcircuitme.blogspot.com

circuit electrical

Simple Cmos Motorcycle Alarm Circuit Diagram | Super Circuit Diagram

Simple Cmos Motorcycle Alarm Circuit Diagram | Super Circuit Diagram circuitsan.blogspot.com

motorcycle alarm circuit cmos diagram simple schematic

Alarm System For Motorcycle Diagram - The O Guide

Alarm System For Motorcycle Diagram - The O Guide www.theoguide.com

Bmw E46 Central Locking Wiring Diagram #diagram #diagramtemplate #

Bmw E46 Central Locking Wiring Diagram #diagram #diagramtemplate # www.pinterest.com

passkey bypass toad sorento electrico optra alarmas alarma e36 diagramsample diagramtemplate eléctrico exatin tankbig

Easy Build Motorcycle Alarm | Electronic Schematic Diagram

Easy Build Motorcycle Alarm | Electronic Schematic Diagram electronicscheme.net

alarm build easy motorcycle pcb connection simple

Theft alarm anti circuit motorcycle seekic control. Block diagram of gsm pcb module.. Electrical circuit: motorcycle alarm