motorcycle wiring 6 volt

R60/2, anyone have a clear photo of the wiring in the headlight bucket. 17 Images about R60/2, anyone have a clear photo of the wiring in the headlight bucket : 5 motorcycle wiring mistakes (and how to avoid them) | Motorcycle, Simplified Motorcycle Wiring Harness | MotorcycleZombies.com and also 2009 Buell XB12Scg custom II | Page 3 | Custom Fighters - Custom.

R60/2, Anyone Have A Clear Photo Of The Wiring In The Headlight Bucket

R60/2, anyone have a clear photo of the wiring in the headlight bucket vintagebmw.org

r60

Introduction To Motorcycle Wiring Diagrams

Introduction to motorcycle wiring diagrams www.offbeatbikesmagazine.co.uk

12v 3 Phase Motorcycle Regulator/rectifier Circuit Wiring Diagram

12v 3 Phase Motorcycle Regulator/rectifier Circuit Wiring Diagram diagramweb.net

wiring rectifier diagram 12v motorcycle circuit regulator phase voltage wire flickr insulation using breaker excess trim strip any

12 Volt Trailer Wiring

12 Volt Trailer Wiring www.chanish.org

camper homesteader converter u2022 wohnmobil campers womo overland logik airstream gilbertson remorques bismillah tastic circuit 12vdc

Electric Start Help - Pit Bike Club

Electric Start Help - Pit Bike Club www.pitbikeclub.co.uk

wiring diagram yerf dog bike pit 90cc electric start cc harley club kart bt

6 Wire Universal 12 Volt Regulator Rectifier - Rex's Speed Shop

6 Wire Universal 12 Volt Regulator Rectifier - Rex's Speed Shop www.rexs-speedshop.com

rectifier 12v rexs speedshop pme

Simple Motorcycle Wiring Diagram For Choppers And Cafe Racers – Evan

Simple Motorcycle Wiring Diagram for Choppers and Cafe Racers – Evan cycles.evanfell.com

wiring diagram battery motorcycle racer cafe simple chopper custom kick evan fell ignition system without choppers racers 1975 lights mini

12v 4 Pin Relay Wiring

12v 4 Pin Relay Wiring www.chanish.org

12v prong flasher momentary 12vdc diagrams mikrora solenoid imageservice webtor relays four

Motorcycle Cdi Ignition Wiring Diagram

Motorcycle Cdi Ignition Wiring Diagram www.chanish.org

honda

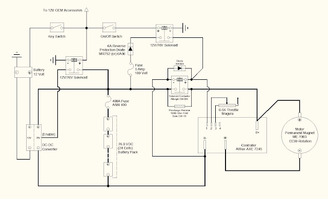
Wiring Schematic: A Little More Progress | Electric Motorcycle Conversion

Wiring Schematic: A Little More Progress | Electric Motorcycle Conversion evmotorcycle.blogspot.com

wiring

5 Motorcycle Wiring Mistakes (and How To Avoid Them) | Motorcycle

5 motorcycle wiring mistakes (and how to avoid them) | Motorcycle www.pinterest.com

returnofthecaferacers motorcycle wiring

2009 Buell XB12Scg Custom II | Page 3 | Custom Fighters - Custom

2009 Buell XB12Scg custom II | Page 3 | Custom Fighters - Custom www.customfighters.com

xb12scg buell

1953 1954 Chevy Chevrolet Truck Wiring Harness Volt ALTERNATOR

1953 1954 Chevy Chevrolet truck wiring harness volt ALTERNATOR www.classychevusa.com

chevy wiring harness truck volt 1954 1953 alternator manuals 1950 1952 classychevusa chevrolet 1937

Simple Motorcycle Wiring Diagram For Choppers And Cafe Racers – Evan

Simple Motorcycle Wiring Diagram for Choppers and Cafe Racers – Evan cycles.evanfell.com

wiring diagram battery motorcycle racer cafe simple without fell evan kick choppers racers custom bike chopper café engine 1975 kickstart

6V 35/35W H4 Halogen Headlight Car Motorcycle Headlamp 3 Pin Prong

6V 35/35W H4 Halogen Headlight Car Motorcycle Headlamp 3 Pin Prong www.octanelighting.com

halogen 6v h4 35w headlamp headlights 60w

Motorcycle Electrics 101 - Re- Wiring Your Cafe Racer - Purpose Built Moto

Motorcycle Electrics 101 - Re- wiring your Cafe Racer - Purpose Built Moto purposebuiltmoto.com

wiring electrics purposebuiltmoto r1200gs starter

Simplified Motorcycle Wiring Harness | MotorcycleZombies.com

Simplified Motorcycle Wiring Harness | MotorcycleZombies.com www.motorcyclezombies.com

motorcycle wiring dummies charging

Simple motorcycle wiring diagram for choppers and cafe racers – evan. Wiring electrics purposebuiltmoto r1200gs starter. 12v prong flasher momentary 12vdc diagrams mikrora solenoid imageservice webtor relays four